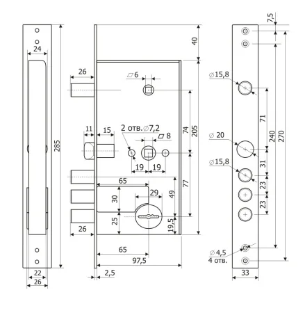
Замок врезной сувальдный с защелкой и задвижкой Гардиан 50.15
- Защита от наиболее распространенных методов вскрытия
— Защита от вскрытия отмычкой – ложные пазы на стойке и сувальдах, увеличенная жесткость пружин сувальд
— Защита от самоимпрессии – запатентованная втулка на крышке замка
— Защита от «свертыша» – ослабленный зуб рейки хвостовика
— Защита от взлома – при полностью выдвинутых ригелях замка, 30% их длины остается в корпусе замка, усилена конструкция засовов
— Защита от высверливания – закаленная стойка рейки хвостовика
— Защита от высверливания – внешняя бронепластина
— Защита от вандалов – отсутствует нижняя стенка корпуса замка - Фиксация засова задвижки в крайних положениях
- Универсальность, возможность переворота защелки без разборки замка
- Отверстия для крепления дверных ручек стяжными винтами
- Дополнительные опции
— Дополнительное количество ключей
— Удлиненные ключи
— Изготовление замков с одним секретом
Предназначен для установки в металлические двери. Универсальный, подходит для дверей правого и левого открывания. Усиленная защита замка от декодирования - наличие межсувальдных пластин. Устанавливается с раздельной фурнитурой.
Для покупки товара в нашем интернет-магазине выберите понравившийся товар и добавьте его в корзину. Далее перейдите в Корзину и нажмите на «Оформить заказ» или «Быстрый заказ».
Когда оформляете быстрый заказ, напишите ФИО, телефон и e-mail. Вам перезвонит менеджер и уточнит условия заказа. По результатам разговора вам придет подтверждение оформления товара на почту или через СМС. Теперь останется только ждать доставки и радоваться новой покупке.
Оформление заказа в стандартном режиме выглядит следующим образом. Заполняете полностью форму по последовательным этапам: адрес, способ доставки, оплаты, данные о себе. Советуем в комментарии к заказу написать информацию, которая поможет курьеру вас найти. Нажмите кнопку «Оформить заказ».
Оплачивайте покупки удобным способом. В интернет-магазине доступно 3 варианта оплаты:
- Наличные при самовывозе или доставке курьером. Специалист свяжется с вами в день доставки, чтобы уточнить время и заранее подготовить сдачу с любой купюры. Вы подписываете товаросопроводительные документы, вносите денежные средства, получаете товар и чек.
- Безналичный расчет при самовывозе или оформлении в интернет-магазине: карты Visa и MasterCard. Чтобы оплатить покупку, система перенаправит вас на сервер системы ASSIST. Здесь нужно ввести номер карты, срок действия и имя держателя.
- Электронные системы при онлайн-заказе: PayPal, WebMoney и Яндекс.Деньги. Для совершения покупки система перенаправит вас на страницу платежного сервиса. Здесь необходимо заполнить форму по инструкции.
Экономьте время на получении заказа. В интернет-магазине доступно 4 варианта доставки:
- Курьерская доставка работает с 9.00 до 19.00. Когда товар поступит на склад, курьерская служба свяжется для уточнения деталей. Специалист предложит выбрать удобное время доставки и уточнит адрес. Осмотрите упаковку на целостность и соответствие указанной комплектации.
- Самовывоз из магазина. Список торговых точек для выбора появится в корзине. Когда заказ поступит на склад, вам придет уведомление. Для получения заказа обратитесь к сотруднику в кассовой зоне и назовите номер.
- Постамат. Когда заказ поступит на точку, на ваш телефон или e-mail придет уникальный код. Заказ нужно оплатить в терминале постамата. Срок хранения — 3 дня.
- Почтовая доставка через почту России. Когда заказ придет в отделение, на ваш адрес придет извещение о посылке. Перед оплатой вы можете оценить состояние коробки: вес, целостность. Вскрывать коробку самостоятельно вы можете только после оплаты заказа. Один заказ может содержать не больше 10 позиций и его стоимость не должна превышать 100 000 р.